Pompy membranowe seria Boxer model BOXER 80 81
![]() |
![]() |
|
![]() |
| PP | PVDF | Alu | Aisi 316 |
Główne cechy pomp membranowych BOXER 80/81:
Maksymalna wydajność pomp tego typu to 100 l/min. Pompy te mogą zasysać medium do wysokości 6 m. Mogą pracować ciągle. Mogą pompować media zawierające cząstki stałe i elementy nierozpuszczalne o wielkości do 4 mm. Mogą pompować ciecze o wysokiej lepkości. Dzięki regulacji przepływu powietrza można regulować wydajność tych pomp, w zakresie od 0 do 100%. Możliwa praca „na sucho”. Mogą wypompowywać medium z beczki. Wersja standardowa ma możliwość pracy w strefie zagrożonej wybuchem – certyfikat ATEX II 3/3G d IIB T 135OC (strefa 2). Na specjalne życzenie możliwe jest kupno pomp dostosowanych do pracy w trudnych warunkach – certyfikat ATEX II 2/2GD c IIB T 135OC (strefa 1). Na specjalne życzenie istnieje możliwość wyprodukowania pompy, która będzie mogła pracować w pełnym zanurzeniu. Łatwa wymiana części i konserwacja.
Dane techniczne
| ATEX certification |
II 3/3G D IIB T 135°C (for zone 2)
II 2/2GD c IIB T 135°C (for zone 1) |
| Materiał konstrukcyjny | PP/PVDF/Alu/Aisi 316 |
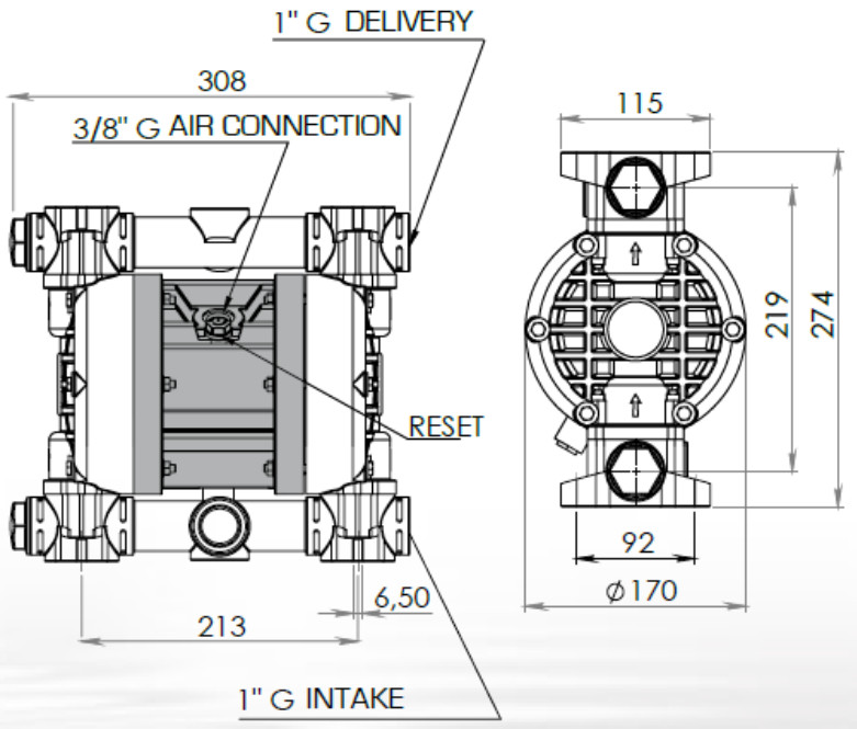
| Porty ssący/tłoczny | G 1 dla DN25 |
| Port zasilania powietrzem |
G 3/8” f
|
|
Maksymalna wydajność samo – zasysania |
6 m |
| Maksymalny przepływ | 100 l/min |
| Maksymalna wysokość podnoszenia |
70 m
|
| Maksymalne ciśnienie sprzężonego powietrza |
7 bar
|
| Maksymalna średnica cząstek stałych | 4 mm |
| Maksymalna temperatura pracy | PP 60°C, PVDF 95°C, Alu 95°C, Aisi 316 95°C |
Charakterystyka pracy

Waga netto pomp:
|
WYKONANIE |
WAGA |
STREFA ATEX |
|
PP |
5 kg |
Strefa 2 – temperatura maksymalna 60OC |
|
PVDF |
6,5 kg |
Strefa 2 – temperatura maksymalna 95OC |
|
Aluminium |
6,5 kg |
Strefa 2 – temperatura maksymalna 95OC |
|
AISI 316 |
10,5 kg |
Strefa 2 – temperatura maksymalna 95OC |
Wymiary pompy:


Warning: Undefined array key "miniatura" in /home/platne/serwer228665/public_html/debempompy.eu/pompy_opis.php on line 424





